Cảm biến quang Sumetzberger
Giá: Liên hệ
Cảm biến quang chuyên sử dụng cho trạm chuyển mẫu, diverter...và một số thiết bị khác trong hệ thống chuyển mẫu tự động mang thương hiệu Sumetzberger.
Cảm biến quang được gắn trên thiết bị cho phép phát hiện hộp chuyển khi đi qua. Từ đó, giúp hệ thống nhận diện chính xác các tín hiệu và ra lệnh cho các thiết bị trong hệ thống.
Quý khách hàng có nhu cầu mua sản phẩm vui lòng liên hệ HOTLINE để được hỗ trợ và tư vấn miễn phí.
Thông số kỹ thuật:
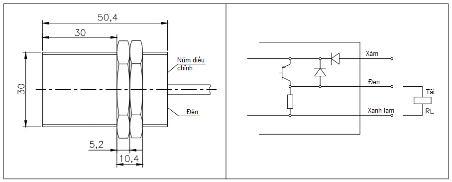
Sơ đồ nguyên lý:

| Chất liệu | Vỏ nhựa nguyên khối |
| Chuẩn bảo vệ | IP65 |
| Nhiệt độ làm việc | 0 - +50oC |
| Nhiệt độ bảo quản | -20 - +70oC |
| Cáp tín hiệu | 3 x 0.25mm |
| Loại cảm biến | Cảm biến dạng quang Sử dụng tia hồng ngoại 880mm |
| Phạm vi phát hiện | 150mm |
| Điện áp hoạt động | 10 - 30VDC |
| Dòng không tải | 6mA |
| Loại đầu ra | PNP |
| Dòng đầu ra | 200mA max |
| Thời gian phản ứng | 2ms |
| Thời gian trễ | 10ms |
| Thời gian bật | - |
| Thời gian tắt | 50ms |





